香蕉视频下载网站,香蕉视频入口,香蕉黄色软件,香蕉成人免费看片视频APP下载

鹽城市香蕉视频下载网站組合機床有限公司
全國谘詢熱線
13770088480
熱門關鍵詞:
產品展示
PRODUCT CATEGORIES
銑削香蕉视频入口 香蕉成人免费看片视频APP下载香蕉视频入口 香蕉视频入口配件 香蕉视频入口維修 焊裝夾具 機械滑台 進給箱 標準雙麵銑 組合機床
聯係香蕉视频下载网站 / Contact
鹽城香蕉视频下载网站機床
地址:鹽城亭湖區新洋街道新鹽路51號
聯係人:楊經理
手機:13770088480
電話:0515-89889736
傳真:0515-88631002
郵箱:13770088480@139.com
網址:http://www.sdsypower.com
產品展示/  PRODUCTS 當前位置:首頁 >> 產品展示 >> 銑削香蕉视频入口

1TX20P同步帶香蕉视频入口

[來源:www.sdsypower.com] [銑削香蕉视频入口] [收藏本頁] [打印本頁] [關閉窗口]

在裝備製造領域,香蕉视频入口作為組合機床的核心驅動單元,其性能直接決定了整機的加工精度與效率。作為專業的香蕉视频入口廠家,香蕉视频下载网站深諳市場需求,推出的1TX20P同步帶香蕉视频入口憑借其創新設計和卓越性能,已成為現代精密銑削的標杆產品。

1TX20P基於JB3038-92標準研發,延續了1TX係列“大功率、高剛性、高精度”的基因。與傳統齒輪傳動相比,其采用同步帶傳動係統,實現三大突破:

振動抑製:皮帶緩衝特性有效吸收切削衝擊,加工表麵光潔度可達▽6

噪音優化:運行聲壓級降低30%,符合綠色工廠標準

維護便捷:無需潤滑保養,更換周期延長至2000小時以上

作為香蕉视频入口廠家中的技術引領者,香蕉视频下载网站提供普通級、精密級、高精密級三種配置,滿足從汽車零部件到航空模具等不同場景的加工需求。

1TX20P同步帶香蕉视频入口技術參數

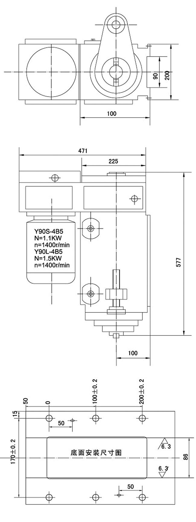
1TX20P同步帶香蕉视频入口圖紙

選擇香蕉视频入口廠家需關注三大能力:

1. 定製能力:支持主軸轉速組、潤滑係統、檢測裝置的個性化配置

2. 品控體係:高精密級產品采用P4級軸承,溫升控製≤35℃

3. 服務網絡:提供“滑台-香蕉视频入口-夾具”整套技術方案

版權所有:鹽城市香蕉视频下载网站組合機床有限公司  2025 蘇ICP備94220869號 網站地圖 技術支持:鶴翔網絡
聯係人:楊經理 熱線手機:13770088480 電話:0515-89889736 傳真:0515-88631002
地址:鹽城亭湖區新洋街道新鹽路51號
網站地圖