香蕉视频下载网站,香蕉视频入口,香蕉黄色软件,香蕉成人免费看片视频APP下载

鹽城市香蕉视频下载网站組合機床有限公司
全國谘詢熱線
13770088480
熱門關鍵詞:
產品展示
PRODUCT CATEGORIES
銑削香蕉视频入口 香蕉成人免费看片视频APP下载香蕉视频入口 香蕉视频入口配件 香蕉视频入口維修 機械滑台 進給箱 標準雙麵銑 組合機床
聯係香蕉视频下载网站 / Contact
鹽城市香蕉视频下载网站組合機床有限公司
地址:鹽城亭湖區新洋街道新鹽路51號
聯係人:楊經理
手機:13770088480
電話:0515-88631001
傳真:0515-88631002
郵箱:13770088480@139.com
網址:http://www.sdsypower.com
產品展示/  PRODUCTS 當前位置:首頁 >> 產品展示 >> 銑削香蕉视频入口

SB40手柄變速香蕉黄色软件

[來源:www.sdsypower.com] [銑削香蕉视频入口] [收藏本頁] [打印本頁] [關閉窗口]

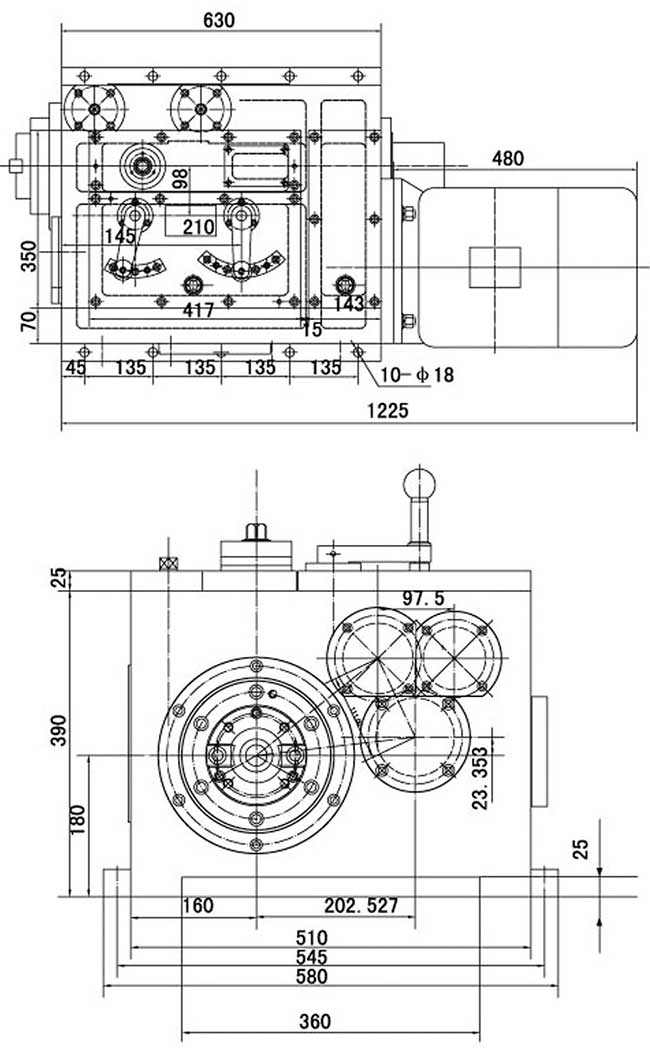
SB40手柄變速香蕉黄色软件為龍門刨改銑及龍門銑專用銑頭,也可單獨使用,用以完成對鑄鐵、鋼件及有色金屬類零件的平麵銑削、鍵槽、燕尾槽、花鍵等銑削加工。本銑頭結構緊湊、重量輕、齒輪模數大、噪音低、性能可靠、操作方便。

SB40手柄變速香蕉黄色软件外形尺寸圖


主要規格

香蕉黄色软件手柄變速表


版權所有:鹽城市香蕉视频下载网站組合機床有限公司  2024 蘇ICP備94220869號 網站地圖 技術支持:鶴翔網絡
聯係人:楊經理 熱線手機:13770088480 電話:0515-88631001 傳真:0515-88631002
地址:鹽城亭湖區新洋街道新鹽路51號
網站地圖